playground:crankcase_left_914-6
This is an old revision of the document!
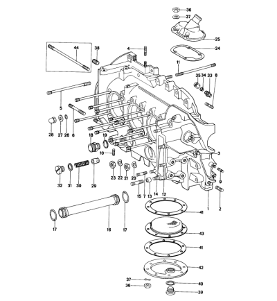
| Pos | Part Number | Description | Qty |
|---|---|---|---|
| 1 | 901 101 912 00 | crankcase with studs | 1 |
playground/crankcase_left_914-6.1713976040.txt.gz · Last modified: by 914tkcolemen
